Schematic Groups#

Schematic Groups
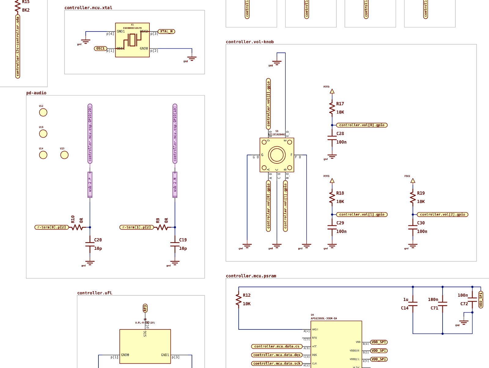
Figure 1: Example of schematic groups on a page.

Schematic groups in JITX help organize related components into logical groups defined by your code. These groups, marked by grey borders, represent the design’s module hierarchy or explicit SchematicGroup objects in the code.

Groups can also be nested to create a hierarchy within a page, improving organization and clarity for complex designs. The UI provides specific operations for managing schematic groups, such as group-merge and group-split.